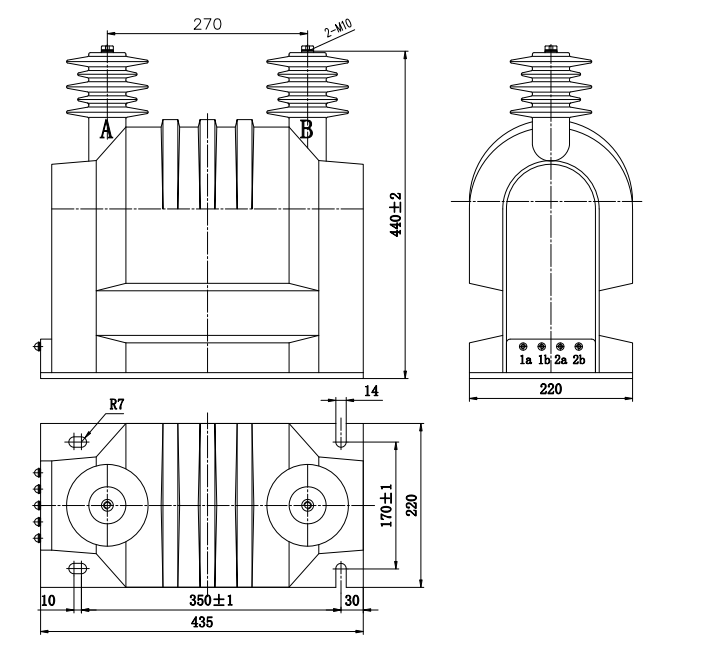
Трансформатор напряжения типа JDZ(X)9-15、20(G)
Этот тип трансформатор напряжения типа представляет собой полностью закрытую опорную конструкцию, отлитую из эпоксидной смолы, которая подходит для измерения тока и электрической энергии и релейной защиты линий электропередач и оборудования с частотой 50 Гц внутри помещений и номинальным напряжением 20 кВ и ниже.


京公网安备 11010802043282号